產品分類
1 適用范圍
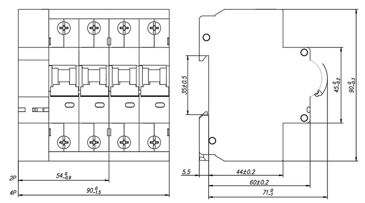
CQB7R-125電能表外置斷路器,主要用于交流50Hz,額定電壓至400V,額定電流至125A的線路中,以具有短路過載保護的小型斷路器為主開關。配以具有微處理器的超小型智能電操,通過對電表控制信號的檢測進行自動控制斷路器的分閘或合閘,與預付費電表配套使用實現欠費分閘、付費合閘的自動控制。
符合標準:GB/T10963.1 、IEC 60898-1、Q/GDW11421
2 型號及含義

3 訂貨規范
訂購斷路器時,需指明下述各點:
a)產品型號,如CQB7R-125;
b)斷路器的極數,如1P+N、2P、3P、3P+N、4P;
c)瞬時脫扣類型,如B型、C型、D型;
d)斷路器的額定電流,如40 A、50 A、63 A、80A、100A、125A;
e)訂貨數量,如100臺
如訂購CQB7R-125 2P C100 100臺
4 主要參數及技術性能
| 技術參數項目 | 參數值 |
| 額定電壓(V) | 230V~(1P+N,2P)、400V~(3P,3P+N,4P) |
| 額定電流(A) | 40、50、63、80、100、125 |
| 極數 | 1P+N、2P、3P、3P+N、4P |
| 額定短路分斷能力lcn(A) | 6000A,10000A(高分斷型) |
| 自動合閘時間(tc) | ≤3s |
| 自動分閘時間(td) | ≤2s |
| 機械電氣壽命(次) | 電氣壽命≥6000次,機械壽命≥10000次 |
| 擰緊力距(N-m) | 2.5N |
| 污染等級 | 2級 |
| 防護等級 | IP20 |
| 安裝類別 | Ⅲ類 |
| 過電流特性 | 見表2 |
表2 過電流保護特性(基準溫度30℃)
| 序號 | 型式 | 脫扣器額定電流ln(A) | 起始狀態 | 脫扣或不脫扣時間極限 | 預期結果 | 備注 |
| a | B、C、D | 1.13ln | 冷態 |
t≤1h(對ln≤63A) t≤2h (對ln>63A) |
不脫扣 | |
| b | B、C、D | 1.45ln | 緊接著a項試驗 |
t<1h(對ln≤63A) t<2h (對ln>63A) |
脫扣 | 電流在5s內穩定地上升 |
| c | B、C、D | 2.55ln | 冷態 | 1s<t<120s | 脫扣 | |
| d |
B C D |
3ln 5ln 10ln |
冷態 | t≤0.1s | 不脫扣 | 通過閉合輔助開關接通電源 |
| e |
B C D |
5ln 10ln 20ln |
冷態 | t<0.1s | 脫扣 | 通過閉合輔助開關接通電源 |
注:術語:“冷態”指試驗前沒帶負載,而且在基準校準溫度下進行。
5 正常工作條件
1. 周圍空氣溫度上限值不超過+40℃,下限值不低于-5℃,24h平均值不超過+35℃。
2. 安裝地點的海拔高度不超過2000m。
3. 安裝地點的大氣相對濕度在周圍最高溫度40℃時不超過50%,在較低溫度下可以有較高的相對濕度,最濕月平均最大相對濕度不超過90%,同時該月的平均溫度不超過25℃,并考慮到溫度變化發生在產品表面上的凝露。
4. 污染等級:2級。
5. 安裝類別:Ⅲ類。
6. 斷路器采用TH35-7.5標準導軌安裝,斷路器一般應垂直安裝,手柄向上為接通電流位置。
7. 安裝處應無明顯沖擊和振動。
6 導線要求及銅導線截面積
| 截面積S(mm2) | 額定電流值In(A) |
| 10 | 32<In≤50 |
| 16 | 50<In≤63 |
| 25 | 63<In≤80 |
| 35 | 80<In≤100 |
| 50 | 100<In≤125 |













